MorGain 空间

 找回密码
 立即注册
查看: 3228|回复: 0

[示例] MID192【墙体稳定验算】原始数据及计算结果

 关闭 [复制链接]
发表于 2022-11-21 15:57:44 | 显示全部楼层 |阅读模式
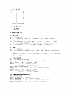
墙体稳定验算 Q-1

墙体稳定验算Q-1计算结果.jpg

墙体稳定验算 Q-1 计算结果.pdf

80.64 KB, 下载次数: 0

墙体稳定验算 Q-1.mgs

428 Bytes, 下载次数: 0

您需要登录后才可以回帖 登录 | 立即注册

本版积分规则

QQ|手机版|Archiver|MorGain 空间

GMT+8, 2026-2-28 07:29

Powered by Discuz! X3.4

© 2001-2017 Comsenz Inc.

快速回复 返回顶部 返回列表