MorGain 空间

 找回密码
 立即注册
查看: 3169|回复: 0

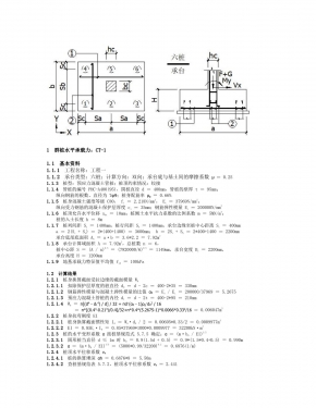
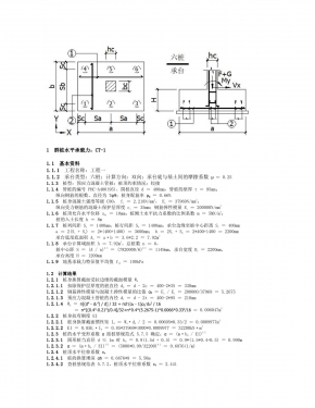
[示例] MID180【群桩水平承载力】原始数据及计算结果

 关闭 [复制链接]
发表于 2022-11-30 09:24:19 | 显示全部楼层 |阅读模式
群桩水平承载力 CT-1

群桩水平承载力 CT-1 计算结果.jpg

群桩水平承载力 CT-1 计算结果.pdf

119.05 KB, 下载次数: 0

群桩水平承载力 CT-1.mgs

616 Bytes, 下载次数: 0

您需要登录后才可以回帖 登录 | 立即注册

本版积分规则

QQ|手机版|Archiver|MorGain 空间

GMT+8, 2026-2-28 07:28

Powered by Discuz! X3.4

© 2001-2017 Comsenz Inc.

快速回复 返回顶部 返回列表