MorGain 空间

 找回密码
 立即注册
查看: 2167|回复: 1

[示例] MID166【过梁】原始数据及计算结果

 关闭 [复制链接]
发表于 2022-12-1 17:15:03 | 显示全部楼层 |阅读模式
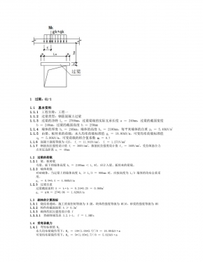
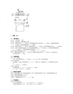
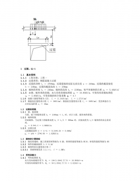
过梁 GL-1

过梁类型:钢筋混凝土过梁。

过梁 GL-1 计算结果.jpg

过梁 GL-1 计算结果.pdf

92.89 KB, 下载次数: 0

过梁 GL-1.mgs

543 Bytes, 下载次数: 0

 楼主| 发表于 2022-12-1 17:19:06 | 显示全部楼层
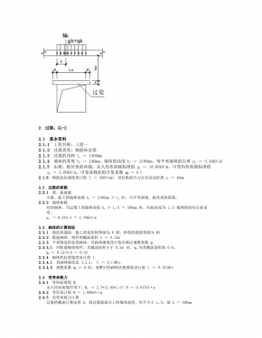
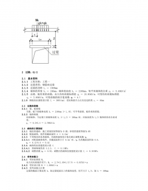
过梁 GL-2

过梁类型:钢筋砖过梁。

过梁 GL-2 计算结果.jpg

过梁 GL-2 计算结果.pdf

88.56 KB, 下载次数: 0

过梁 GL-2.mgs

539 Bytes, 下载次数: 0

回复 支持 反对

使用道具 举报

您需要登录后才可以回帖 登录 | 立即注册

本版积分规则

QQ|手机版|Archiver|MorGain 空间

GMT+8, 2026-2-28 07:27

Powered by Discuz! X3.4

© 2001-2017 Comsenz Inc.

快速回复 返回顶部 返回列表